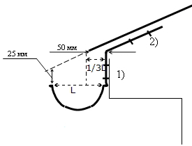
Утримувачі жолоба кріпляться так, щоб сніг, що рухається з покрівлі, не зламав ринви, а уся вода, що стікає з покрівлі потрапляла в жолоб та прямувала у воронку. Для цього зовнішній край жолоба в областях України, де рясні снігопади, має бути на 25 мм нижче від продовження площини даху (мал. 1). Проте в більшості областей України кронштейни водостіку можна монтувати як показано на мал. 2.
|
|
|
|
| Розрахунку водостіку Перед монтажем водостіку проводиться його розрахунок. Розрахунок водостічної системи - це розрахунок кількості жолобів, з'єднувачів жолобів, кронштейнів для водостіку, заглушок, внутрішніх та зовнішніх кутів, водостічних воронок, водостічних труб, з'єднувач труб, хомутів кріплення, грат, необхідної кількості клею. |
Монтаж ринв проводиться з нахилом в 5 мм на 1 погонний метр та з кроком в 0,6м. Для посилення місця стику жолобів рекомендується кріпити таким чином, як показано на мал. 3, тільки в районах із щедрими осіданнями у вигляді дощу або снігу.
Монтаж кронштейнів водостіку проводять по шнурку. Кріпиться перший і останній утримувач із відповідним нахилом на всю довжину карниза. Потім по нижніх точках натягається шнур. Інші кронштейни кріпляться так, щоб своєю нижньою точкою торкатися шнура. Етап монтажу жолобів водостіку є найбільш відповідальним та складним. Від правильності монтажу залежить надійність та довговічність усієї водостічної системи.
|
|
|
Жолоби замикають в кронштейни. У місці стику жолоба з'єднуються спеціальним замком жолоба. Замок жолоба передбачає спеціальні поглиблення, на які наноситься герметик. Таким чином досягається максимальна герметичність стику жолобів водостіку.
Заглушки жолоба монтуються безпосередньо при установки системи таким чином: по внутрішній частині заглушки нанесіть смужку клею шириною біля 5мм. З'єднання заглушки з жолобом, починайте негайно. Заглучка монтується від бічної дошки покрівлі мінімум 2,5см.
![]() | ![]() |
|
3. З'єднання жолобів водостіку
На місце з'єднання жолобів водостіку нанести 4 смужки клею шириною 0,5 см кожна. Через натуральне розширення жолобів, з'єднання монтується мінімум 10 см від кронштейна. Місце з'єднання заповнюється клеєм.
![]() | ![]() | ![]() | ![]() |
ЕЯкщо відстань між кутами горизонтальних стоків перевищує 8 м, то встановлюється розширювальний елемент.
4. Монтаж випускної воронки водостіку
У місцях установки випускної воронки вирізається отвір — дрібнозубчастим полотном ножівки зробіть два косих запилювання один навпроти одного. Зачистіть краї розпилювань.
![]() | ![]() |
![]() | ![]() |
![]() |
|
|
5. Монтаж куточка водостічної системи
На куточок нанесіть 2 смужки клею шириною 0,5 см кожна та встановіть на жолоб. Зборку жолобів робиться негайно, поклавши куточок на жолоб до упору. Притисніть склеювані поверхні. Клей нанесіть на друге плече куточка та встановіть на нім жолоб. Місце з'єднання жолобів із куточком заповнити клеєм.
![]() | ![]() |
|
6. Монтаж коліна водостіку
Верхнє коліно водостічної системи потрібно приклеїти до воронки. Нижнє коліно з'єднується з верхнім без застосування клею. Але завжди із застосуванням зливної труби необхідної довжини.
![]() | ![]() | ![]() | ![]() | ![]() ![]() ![]() ![]() |
7. Монтаж водостічних труб
Зливна труба монтується із застосуванням універсальних хомутів компенсуючих термічне розширення. Детальна інструкція по монтажу хомутів знаходиться на кожній упаковці. Не застосовувати при монтажі водостічних труб клею. Щоб з'єднати дві труби, необхідно використовувати з'єднувач труб (сполучна муфта). Зберігати приблизно 2 см проміжку. Застосовуючи муфту між кінцями двох труб необхідно залишити повітря. Систему ринв можливо закінчити зливом, приклеєним до зливної труби або приєднаним за допомогою фланця, встановленого на профільну каналізаційну трубу.





























